消防改造
消防維保
主機維修
聯系我們
- 聯系人:郭經理
- 傳真:010-69552656
- 電話:400-0346-119
- 電話:010-57113119
- 郵箱:506665119@qq.com
- 地址:北京通州區新華北路117號
電動排煙窗是否必須設置火災自動報警系統?
來源:消防檢測 時間:2018-03-03 11:36:28
近來,針對設置在建筑物內用于自然排煙的電動排煙窗,出現了兩種截然不同的觀點:一種認為建筑物內設置電動排煙窗,就必須設置火災自動報警系統(以下簡稱FAS)并應實施消防聯動控制,方能確保火災時的自然排煙;另一種則認為規范并無明確規定,在可不設置FAS的建筑物內設置用于自然排煙的電動排煙窗,不必設置FAS。孰是孰非?
2015年5月1日實施的GB50016-2014《建筑設計防火規范》(以下簡稱14版《建規》),分別在8.5.2條、8.5.3條針對廠房和倉庫、民用建筑規定了“應設置排煙設施”的場所和部位,但卻無具體排煙系統設計規定。
為此,公安部消防局于2015年4月27日發布了“關于執行新版消防技術規范有關問題的通知”(公消[2015]98號),
該文第三條要求:“鑒于新制訂的《建筑防煙排煙系統技術規范》尚未批準發布,防煙排煙系統的設計與審核按照以下規定執行:防煙與排煙系統設置場所執行新版《建筑設計防火規范》(GB50016-2014);
其他具體系統設計仍執行《建筑設計防火規范》(GB50016-2006)及《高層民用建筑設計防火規范》(GB50045-95)(2005版)的有關規定。”
關于自動排煙窗和手動排煙窗的理解
無論上海市工程建設規范DGJ08-88-2006《建筑防排煙技術規程》還是GBXXXXX-201X《建筑防煙排煙系統技術規范》(報批稿)都未規定無FAS的公建、廠房和倉庫采用手動排煙窗實現自然排煙時因采用了電動排煙窗,便將其劃歸自動排煙窗,僅針對某些特定條件或當排煙窗開窗面積不符合規定時才強制要求設置自動排煙窗。
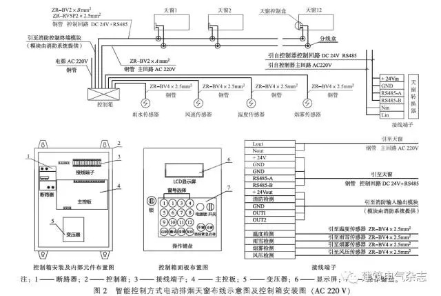
國標圖集09J621-2《電動采光排煙天窗》“普通控制方式控制器安裝圖(AC220V)”(P43)和“普通控制方式控制器安裝圖(DC24V)”(P48)圖示中均有“接線端子1(2)引至消防輸入輸出模塊(模塊由消防系統提供)”,筆者認為這些圖示中的“接線端子1(2)”當屬產品標配:
a.當需要與FAS實現消防聯動控制時,它就能使此電動排煙窗實現自動排煙窗的消防功能;
b.當建筑物內不設置FAS時,它將被棄之不用,此電動排煙窗僅能實現手動排煙窗的消防功能。
圖1、圖2分別是國標圖集09J621-2中普通和智能控制方式電動排煙天窗布線示意圖及控制箱安裝圖。
“圖1”(DC24V同理)在有、無FAS的建筑物內,可分別實現自然排煙設施的下列功能:

a.有FAS——作為自動排煙窗使用;
b.無FAS——作為手動排煙窗使用。
“圖2”(DC24V同理)在有、無FAS的建筑物內,可分別實現自然排煙設施的下列功能:

a.有FAS——作為自動排煙窗使用,同時兼具智能排煙窗功能;
b.無FAS——作為智能排煙窗使用。
以丁類車間為例列表說明各種電動排煙窗的不同作用
以火災危險性小、發生火災危害損失不大的丁類車間為例,因其建筑面積大于5000m2就必須設置排煙設施,此時在滿足“排煙面積不應小于排煙區域建筑面積的3%”前提條件下,就可設置手動排煙窗,若采用電動排煙窗可不設置FAS。
當然,這種情況下,采用DGJ《防排煙》的“可遠距離控制的排煙窗”或GB《防排煙》的“集中控制的手動排煙窗”較為安全和可靠,若采用智能排煙窗就更為安全和可靠,大可不必強制要求設置FAS。
安全性、可靠性與經濟性、合理性,是相互制約的。在一個原本可不必設置FAS、不具很大危險、危害性的建筑物內,片面追求安全和可靠,超越規范規定提高設計要求,難以兼顧經濟和合理。
FAS必須具備自動和手動兩種觸發裝置,根據現行GB50116-2013《火災自動報警系統設計規范》“3.4.1具有消防聯動功能的火災自動報警系統的保護對象中應設置消防控制室”的“強條”規定,又會涉及消防控制室的設置(再怎樣放寬要求,設置值班室也是避無可避、躲無可躲的)和為基本的消防值班人員配備,如此超規范設計可能得不償失,投資業主方也未必會答應,到時反詰以何為據設計FAS,設計人員將無言以對。
為方便理解和分析,下面以建筑面積大于5000m2丁類車間應設排煙設施(以自然排煙設施)舉例,將設置自動排煙窗、智能排煙窗和手動排煙窗后的相關內容,列表進行說明,如表1所示。

除特別規定條款外,無論DGJ《防排煙》還是GB《防排煙》,當不設置FAS的公建、廠房或倉庫在滿足一定的自然排煙條件情況下,結合工程的實際情況和業主的委托要求,按規程、規范設置相應的就地手動排煙窗(包括手搖開窗機、電動排煙窗)、集中控制的手動排煙窗(包括集中控制、遠距離控制)或無FAS的智能排煙窗,均合情合理、合法合規。
后,歸納總結為兩句話:
a.可不設置FAS的建筑物按規范規定設置手動排煙窗,采用電動排煙窗時,可不設置FAS,允許手動控制(手動控制的具體方式及控制要求視建筑工程具體情況而定)開啟電動排煙窗;
b.可不設置FAS的建筑物按規范規定設置自動排煙窗,采用電動排煙窗時,應在“相關的部位或場所”設置FAS,必須通過FAS聯動控制自動開啟電動排煙窗。
對專業提資不清的處理和“宜采用自動控制”的理解
筆者建議,當建筑專業與暖通專業經討論協商后決定設置自然排煙設施且采用電動排煙窗時,在提交電氣專業的提資單上應注明是自動排煙窗還是手動排煙窗(若采用手搖開窗機,則建筑專業無需提資),若涉及集中、遠控、智能控制方面的問題,也應在提資前與電氣專業討論協商確定后反映在提資單上;當電氣專業發現提資不清時應拒絕接收。
如遇個別概念不清或不負責任的建筑設計人員拒絕配合的時候,可報請項目負責人甚至部門行政領導進行批評和教育,責其改正錯誤。否則,電動排煙窗設計有誤不但影響設計單位聲譽,而且火災時可能會危及人身安全。
將來GB《防排煙》頒布、實施后,專業間的提資更應按規范規定不打折扣地執行。
毫無疑問,按規范規定,建筑物內設置自動排煙窗,就得按14版《建規》的要求,在其對應的“場所或部位”設置FAS,并以聯動控制方式開啟進行設計。
但若建筑物內未設置自動排煙窗但對應條款有“宜采用自動控制”要求,又該如何認識?
GB《防排煙》和其他現行國標一樣,在“本規范用詞說明”中明確規定:表示允許稍有選擇,在條件許可時首先應這樣做的用詞:正面詞采用“宜”,反面詞采用“不宜”。
但何謂“條件許可”?
筆者認為:在對待電動排煙窗這個問題上,如果建筑物內已經設有FAS,就應該認為“條件許可”,GB《防排煙》4.2.4條廠房、倉庫的外窗(側窗或頂窗)“宜采用自動控制”首先按“應采用”對待,無特殊原因,這些電動排煙窗就理應按自動排煙窗進行設計;
如果建筑物內未設有FAS且又無其他強制規定,則可認為此“宜采用”已不具約束力,設計人員可按建筑工程實際情況和業主的委托要求在自動排煙窗、智能排煙窗、手動排煙窗(電動排煙窗的各種控制方式或手搖開窗機)選項中作合理選擇并經業主認可后,再行設計。
筆者之所以對電動排煙窗進行上述分析,目的是理清概念,并非是想僭越電氣專業職責范圍,越俎代庖替建筑專業和暖通專業決斷。相反,該由建筑專業和/或暖通專業提資的相關內容,理應由其全權負責。
但是,作為設計人員,相互學習、了解和掌握一些其他相關專業的知識,就能判斷所接收到的提資內容是否正確和合理,就能更好地服務于單位、服務于業主,做對設計不留遺憾。不然,各專業各行其是各管各,不但有可能偏離設計規范規定條款的本意,而且有可能做出違規設計,埋下事故隱患。
作為設計人員,要想在遵守規范正確規定的前提條件下,盡力滿足業主的合理要求,不但做對設計,更要做好設計,就得多看、多學、多思、多想,各專業之間多交流探討,多取長補短。文中若有不當之處,敬請斧正。
作者:
李順康,上海核工程研究設計院,高級工程師。
楊捷,寧夏建筑設計研究院,高級工程師,主任工程師。
本文有刪減,全文載于《建筑電氣》2017年第2期,詳文請見雜志。
版權歸《建筑電氣》所有。
北京消防維保范圍
-
一、檢查建筑消防設施電源開關、管道閥門、均應指示正常運行位置,并標識開、關的狀態;對需要保持常開或常閉狀態的閥門,應當采取鉛封、標識等限位措施。
二、檢查消防供配電設施:消防電源工作狀態,自備發電設備狀況,消防配電房、發電機房環境,消防電源末端切換裝置工作狀態。
三、檢查消防供水設施:消防水池外觀,消防水箱外觀,消防水泵及控制柜工作狀態,穩壓泵、增壓泵、氣壓水罐工作狀態,水泵結合器外觀、標識,管網控制閥門啟閉狀態,泵房工作環境。
四、消防系統中各子系統的服務工作范圍

